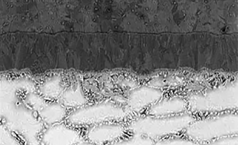
試料研磨サービス
断面研磨により不良品の特定部位の露出、異物の分析、
内部構造の観察を行うサービスです






精密加工
加工から組立てまで一貫してお任せいただけます






装置・治具の設計と組立事例
装置と治具の設計・部品調達から組立まで






Core Technology
加工から組立てまで一貫してお任せいただけます




イベントのご案内

池上精機が発信する様々なイベントをご案内しています。池上精機が製作した実機に触れていただける機会を、ぜひご活用ください。
断面研磨により不良品の特定部位の露出、異物の分析、
内部構造の観察を行うサービスです






加工から組立てまで一貫してお任せいただけます






装置と治具の設計・部品調達から組立まで






加工から組立てまで一貫してお任せいただけます





池上精機が発信する様々なイベントをご案内しています。池上精機が製作した実機に触れていただける機会を、ぜひご活用ください。